Go Back   The Supercar Registry > General Discussion > Technical & Restoration


 
 
Thread Tools Display Modes
Prev Previous Post   Next Post Next
  #1  
Old 12-24-2020, 10:48 PM
travlnz28 travlnz28 is offline
Yenko Contributing Member
 
Join Date: May 2008
Location: East Tennessee
Posts: 1,190
Thanks: 69
Thanked 141 Times in 54 Posts
Default 69 Camaro Front Wiring Harness Question

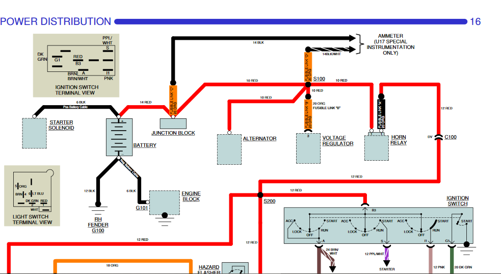
I have 4 Red wires exiting the front lamp harness at the voltage regulator. One changes to Black and goes to the horn relay, one stays red and goes to the horn relay. One changes to Orange and goes to the voltage regulator. The other changes to Orange and I have no clue where it goes. Can anybody help?
Attached Images
  

Last edited by travlnz28; 12-25-2020 at 02:32 AM.
Reply With Quote
Attachments - The Supercar Registry Screenshot (114).png Screenshot (113).png 20201224_161450.jpg 20201224_161421.jpg
Click here to view all the pictures posted in this thread...
 

Thread Tools
Display Modes

Posting Rules
You may not post new threads
You may not post replies
You may not post attachments
You may not edit your posts

BB code is On
Smilies are On
[IMG] code is On
HTML code is Off

Forum Jump


All times are GMT. The time now is 09:33 AM.


Powered by vBulletin® Version 3.8.11
Copyright ©2000 - 2025, vBulletin Solutions Inc.